Skip to main content

YZ35‑13 peristaltic pump head – industrial solution with 11,000 mL/min

Industrial peristaltic pump head for very high flow rates and scalable multi‑channel systems.

YZ35-13 Pump head
YZ35-13 Pump head with tube

Description

The YZ35‑13 peristaltic pump head was specifically developed for industrial applications with very high flow rates. Thanks to its robust design and high‑performance construction, it is ideally suited for processes that require large volume flows, continuous operation, and high process reliability. The pump head supports two tubing retention and guiding options: continuous tubing and the use of tubing fittings. The tubing used, with a wall thickness of 3.3 mm, provides high mechanical stability, improved pressure resistance, and a long service life - even when handling demanding media and during continuous operation.

A particular advantage is the stackable design, which allows the pump head to be expanded into multi‑channel systems. This enables compact, space‑saving multi‑channel solutions. The PSU housing combined with 304 stainless steel rollers ensures high mechanical strength, good chemical resistance, and uniform, reliable pumping performance even in continuous operation. With a maximum flow rate of up to 11 000 mL/min, the YZ35‑13 offers a powerful solution for demanding industrial applications.

Specifications

Speed range (rpm)
≤600 rpm
Tubing wall thickness (mm)
3.3
Number of rollers
3
Stackable
Yes
Number of channels
1
Roller material
Stainless steel
Housing material
PSU
Weight (kg)
1.65

Compatible tubing

Tubing size
Tubing ID (mm)
Tubing OD (mm)
Flow rate @600 rpm (mL/min)
26#
6.4
13.0
4000
73#
9.6
16.2
8000
82#
12.7
19.3
11000

Flow curves

YZ35‑13 Flow curves

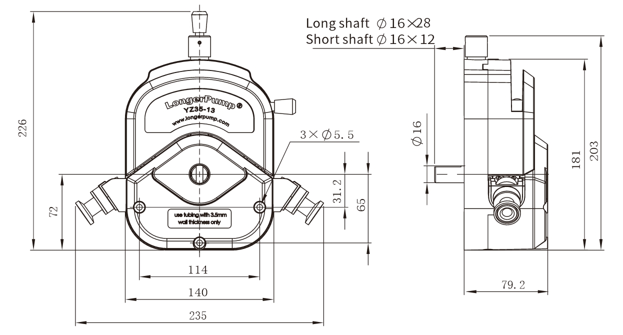
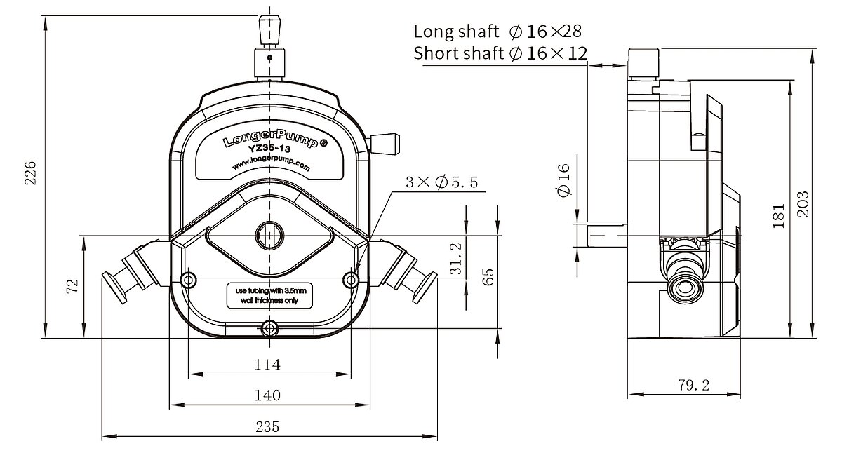
Dimensions

YZ35-13 Dimensions

Downloads